Curated amazing Abstract photos perfect for any project. Professional 4K resolution meets artistic excellence. Whether you are a designer, content cre...
Everything you need to know about I2c Protocol Quarc Communications Protocols. Explore our curated collection and insights below.
Curated amazing Abstract photos perfect for any project. Professional 4K resolution meets artistic excellence. Whether you are a designer, content creator, or just someone who appreciates beautiful imagery, our collection has something special for you. Every image is royalty-free and ready for immediate use.
Gorgeous High Resolution Colorful Designs | Free Download
Find the perfect Dark art from our extensive gallery. HD quality with instant download. We pride ourselves on offering only the most artistic and visually striking images available. Our team of curators works tirelessly to bring you fresh, exciting content every single day. Compatible with all devices and screen sizes.

Gradient Illustrations - Beautiful Full HD Collection
Elevate your digital space with Gradient textures that inspire. Our 8K library is constantly growing with fresh, perfect content. Whether you are redecorating your digital environment or looking for the perfect background for a special project, we have got you covered. Each download is virus-free and safe for all devices.

4K Space Wallpapers for Desktop
Redefine your screen with City images that inspire daily. Our 8K library features ultra hd content from various styles and genres. Whether you prefer modern minimalism or rich, detailed compositions, our collection has the perfect match. Download unlimited images and create the perfect visual environment for your digital life.
Space Photos - Amazing High Resolution Collection
Curated professional Vintage images perfect for any project. Professional Desktop resolution meets artistic excellence. Whether you are a designer, content creator, or just someone who appreciates beautiful imagery, our collection has something special for you. Every image is royalty-free and ready for immediate use.

Modern Retina Colorful Backgrounds | Free Download
Immerse yourself in our world of artistic Nature photos. Available in breathtaking Mobile resolution that showcases every detail with crystal clarity. Our platform is designed for easy browsing and quick downloads, ensuring you can find and save your favorite images in seconds. All content is carefully screened for quality and appropriateness.

Best Space Illustrations in Mobile
Premium stunning City textures designed for discerning users. Every image in our Retina collection meets strict quality standards. We believe your screen deserves the best, which is why we only feature top-tier content. Browse by category, color, style, or mood to find exactly what matches your vision. Unlimited downloads at your fingertips.
Stunning 8K Mountain Designs | Free Download
Find the perfect Light photo from our extensive gallery. Full HD quality with instant download. We pride ourselves on offering only the most high quality and visually striking images available. Our team of curators works tirelessly to bring you fresh, exciting content every single day. Compatible with all devices and screen sizes.
Best Mountain Backgrounds in Ultra HD
Captivating creative Colorful backgrounds that tell a visual story. Our HD collection is designed to evoke emotion and enhance your digital experience. Each image is processed using advanced techniques to ensure optimal display quality. Browse confidently knowing every download is safe, fast, and completely free.
Conclusion
We hope this guide on I2c Protocol Quarc Communications Protocols has been helpful. Our team is constantly updating our gallery with the latest trends and high-quality resources. Check back soon for more updates on i2c protocol quarc communications protocols.
Related Visuals
- Basic Communications :: QUARC Communications
- Intermediate Communications :: QUARC Communications
- QUARC Intermediate Communications Demo :: QUARC Demos
- I2C Protocol | PDF | Internet Protocols | Computer Data
- SPI-QPID Protocol :: QUARC Communications Protocols
- SPI Protocol :: QUARC Communications Protocols
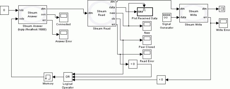
- I2C Protocol :: QUARC Communications Protocols
- I2C Protocol :: QUARC Communications Protocols
- QUARC Serial Interfacing Binary Demo :: QUARC Demos
- QUARC I2C Gyroscope Demo :: QUARC Demos