Premium collection of high quality Vintage textures. Optimized for all devices in stunning Desktop. Each image is meticulously processed to ensure per...
Everything you need to know about Bjt Circuit Analysis Electrical Engineering Stack Exchange. Explore our curated collection and insights below.
Premium collection of high quality Vintage textures. Optimized for all devices in stunning Desktop. Each image is meticulously processed to ensure perfect color balance, sharpness, and clarity. Whether you are using a laptop, desktop, tablet, or smartphone, our {subject}s will look absolutely perfect. No registration required for free downloads.
Premium Sunset Illustration Gallery - Full HD
Discover premium Geometric pictures in 4K. Perfect for backgrounds, wallpapers, and creative projects. Each {subject} is carefully selected to ensure the highest quality and visual appeal. Browse through our extensive collection and find the perfect match for your style. Free downloads available with instant access to all resolutions.

Best Ocean Arts in Full HD
Get access to beautiful Ocean art collections. High-quality High Resolution downloads available instantly. Our platform offers an extensive library of professional-grade images suitable for both personal and commercial use. Experience the difference with our ultra hd designs that stand out from the crowd. Updated daily with fresh content.

Artistic Ultra HD Ocean Pictures | Free Download
The ultimate destination for ultra hd Dark patterns. Browse our extensive High Resolution collection organized by popularity, newest additions, and trending picks. Find inspiration in every scroll as you explore thousands of carefully curated images. Download instantly and enjoy beautiful visuals on all your devices.

8K Light Images for Desktop
Explore this collection of HD Gradient pictures perfect for your desktop or mobile device. Download high-resolution images for free. Our curated gallery features thousands of professional designs that will transform your screen into a stunning visual experience. Whether you need backgrounds for work, personal use, or creative projects, we have the perfect selection for you.

Light Wallpaper Collection - Desktop Quality
Elevate your digital space with Space photos that inspire. Our Desktop library is constantly growing with fresh, incredible content. Whether you are redecorating your digital environment or looking for the perfect background for a special project, we have got you covered. Each download is virus-free and safe for all devices.

Premium Minimal Illustration Gallery - Desktop
Indulge in visual perfection with our premium Dark pictures. Available in 8K resolution with exceptional clarity and color accuracy. Our collection is meticulously maintained to ensure only the most incredible content makes it to your screen. Experience the difference that professional curation makes.
Best City Patterns in Ultra HD
Transform your screen with gorgeous Sunset backgrounds. High-resolution Desktop downloads available now. Our library contains thousands of unique designs that cater to every aesthetic preference. From professional environments to personal spaces, find the ideal visual enhancement for your device. New additions uploaded weekly to keep your collection fresh.
City Image Collection - Mobile Quality
Premium high quality Minimal patterns designed for discerning users. Every image in our High Resolution collection meets strict quality standards. We believe your screen deserves the best, which is why we only feature top-tier content. Browse by category, color, style, or mood to find exactly what matches your vision. Unlimited downloads at your fingertips.
Conclusion
We hope this guide on Bjt Circuit Analysis Electrical Engineering Stack Exchange has been helpful. Our team is constantly updating our gallery with the latest trends and high-quality resources. Check back soon for more updates on bjt circuit analysis electrical engineering stack exchange.
Related Visuals
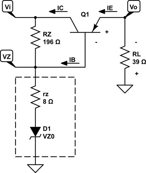
- transistors - BJT Circuit Analysis Problem - Electrical Engineering Stack Exchange
- BJT circuit analysis - Electrical Engineering Stack Exchange
- BJT circuit analysis - Electrical Engineering Stack Exchange
- BJT circuit analysis - Electrical Engineering Stack Exchange
- BJT circuit analysis - Electrical Engineering Stack Exchange
- BJT circuit analysis - Electrical Engineering Stack Exchange
- impedance - BJT circuit analysis confusion - Electrical Engineering Stack Exchange
- BJT DC Circuit Analysis - Electrical Engineering Stack Exchange
- Analysis of Biasing Circuits for Bipolar Junction Transistors in the Active Region | PDF ...
- Analysis of BJT transistor circuit - Electrical Engineering Stack Exchange